|
Tutti i condensatori sono
uguali ...
|
"Tutti i condensatori
sono uguali". E su questo molti concordano, dato che il condensatore è
un componente abbastanza misterioso.
Certamente ci sono condensatori cilindrici, parallelepipedali, a pastiglia o
con altre strane forme; e neri, verdi, rossi, bianchi. Ci sono condensatori polarizzati e
condensatori non polarizzati e si differenziano per la
capacità e la tensione di lavoro.
E nei circuiti si piazzano condensatori scelti solo in base
a questi dati, senza porsi altri problemi: un 10 uF è sempre un 10 uF.
Sfortunatamente questo non è il modo di operare migliore
in ogni circostanza. Vediamo perchè.
Il Condensatore
Occorre come prima cosa un breve riepilogo di cosa è il condensatore.
Tutti dovrebbero sapere, dalle ore di fisica elementare della scuola
superiore, che un condensatore è un dispositivo costituito da due piastre conduttive
parallele, separate da un materiale isolante (dielettrico) in grado di
conservare una carica elettrica (e la relativa energia).
 |
Quando si applica una
tensione, il campo elettrico nel dielettrico sposta cariche e quindi immagazzina energia.
Il modello teorico presume che non esistano cariche libere nel dielettrico e che
non siano neppure in grado di muoversi come in un conduttore. Il
dielettrico è nel contempo un isolante perfetto. Una analogia meccanica può
essere un vaso di
espansione o, ancora meglio, un serbatoio separato in due parti da un diaframma
elastico impermeabile che immagazzina l' energia sotto forma di
pressione. |
Caratteristica del condensatore ideale è un unico parametro, la capacità C.
 |
e il suo simbolo unificato è costituito dalla siluoette delle due
piastre parallele separate dal dielettrico (che può anche essere l'
aria). |
Dal momento che è stato inventato il primo condensatore, la bottiglia di
Leida, quasi ogni concepibile materiale dielettrico e forma è stato provato. Vetro, cera, carta, plastica, ceramica, oli, minerali, film plastici, aria,
ossidi metallici, ecc., da soli o in combinazione, come carta/cera, carta/resina
epossidica,
plastica/plastica, carta/olio, plastica/olio sono stati sperimentati, dando
origine ad una vastissima gamma di prodotti, diversi sia per il materiale
impiegato che per la tecnologia costruttiva.
Raramente un componente elettronico è disponibile in una
così grande varietà di forme, materiali e caratteristiche costruttive !
|
Eccone alcuni e molto limitati esempi
E queste sono solo una minima parte delle molteplici forme del condensatore: una ricerca sul WEB può fornire una impressionante serie di
altre possibilità, modelli, tecnologie, aree di impiego, costruttori.
E' evidente, anche per un non esperto, che deve esserci una valida
ragione per l' esistenza di così tanti tipi e modelli di condensatori, che,
evidentemente, non sono tutti uguali.
Quindi, si può desumere che
condensatori diversi siano adatti ad applicazioni diverse.
Non solo C
Ma il condensatore è solo capacità?
 |
 |
Certamente anche il più sprovveduto esiterà nel sostituire il
condensatore di avviamento di un motore con un' altro qualsiasi di uguale
valore (anche solo per le dimensioni...). Entrambi i componenti nella
foto a lato sono elementi da 10 uF-400V, però il primo è un
carta-olio per un motore asincrono e il secondo è un poliestere per
uso generico. Provare a scambiarli...
Come pure ci potrà essere qualche esitazione nel piazzare un
elettrolitico al posto di uno a film.
Dimensioni, forme, colori, non sono solo identificatori di questo o
quel costruttore e la capacità non è il solo parametro da
considerare nella scelta del condensatore. |
Quando si dà per vera l' affermazione che "tutti i condensatori sono
uguali", non è ben chiaro che
se un condensatore teorico ha un solo parametro, la
capacità, nessun condensatore reale è un elemento "teorico" e quindi
non è
solo pura capacità !
|
Ogni tipo di condensatore reale, realizzato con materiali reali, ha un certo numero di
elementi indesiderati, di perdita, e di elementi limite" la cui non conoscenza, o perfino l' ignoranza dell' esistenza,
rende difficile selezionare il condensatore giusto per ogni
applicazione.
Il condensatore "reale" è un componente complesso, risultato di un processo costruttivo che
utilizza materiali "reali": le caratteristiche di questi due fattori
rendo il condensatore reale diverso da quello teorico.
|
E dovrebbe essere ovvio che ogni differenza dal modello teorico è, in pratica,
una causa riduttiva.
Se, come abbiamo appena visto, il simbolo del condensatore riporta
solamente capacità, il condensatore reale è caratterizzato da un modello più complesso, del quale fanno parte varie componenti parassitarie.
Possiamo raccogliere le principali di queste componenti e rappresentarle sotto forma di elementi induttivi e resistivi:
 |
- ESR (resistenza in serie equivalente)
- ESL (induttanza in serie equivalente)
- DA (Dielectrical Absobtion) - assorbimento del
dielettrico
- RL (Resistence of Leakage) - componente di
autoscarica
|
Alla capacità C del condensatore teorico si trovano collegate in
serie una resistenza parassita (ESR) ed una induttanza parassita (ESL).
Inoltre il dielettrico reale ha una componente di assorbimento DA ,
rappresentata da una capacità CDA in serie con una resistenza di
elevato valore RDA, ed una certa resistenza di
isolamento RL, la quale è responsabile del parametro leakage.
Questi sono i parametri di dispersione, parassitari, che distingoino l'
oggetto reale dall' archetipo teorico.
Vediamoli in maggiore dettaglio.
ESR
ESR (Equivalent Serie Resistance - resistenza in serie equivalente) è attribuibile principalmente a
tre componenti: i reofori, la resistenza dell'elettrodo e la perdita del
dielettrico. Va ricordato che
| il condensatore teorico ha solo componente
reattiva, quindi non dissipa energia in calore. |
però
| il condensatore reale, a causa della ESR, dissiperà potenza attiva in calore
per effetto Joule., dovuto alla corrente che attraversa la resistenza serie. |
Queste perdite (di potenza
attiva) diventano sensibili quando sono in gioco correnti elevate, come nel caso di condensatori utilizzati per
rifasamento, motori,
trasmettitori radio, disaccoppiamento o rettifica della corrente alternata
e dove
si verificano ripple elevati, come alimentatori switching, alimentazione di carichi
impulsivi, motori passo-passo, solenoidi, sistemi digitali, ecc. L'
effetto della ESR è limitato o non importante nei circuiti dove le
correnti sono basse a causa l' alta impedenza dei circuiti.
Va da se che il riscaldamento del condensatore si riflette in una variazione
dei parametri del dielettrico ed una eccessiva dissipazione di potenza rispetto
a quanto previsto dal costruttore porta, se non alla distruzione del
componente, ad una decisa riduzione della sua vita utile.
Ma anche nei circuiti a correnti limitate, l' avere una resistenza
indesiderata in serie alla capacità altera il funzionamento del circuito,
creando una rete R-C che limita la capacità di carica e scarica del
condensatore.
ESR è misurata a frequenze diverse, a seconda di come verrà utilizzato il
condensatore. Per elettrolitici utilizzati come filtraggio dopo il
raddrizzamento della rete si utilizza una frequenza di 100 o
120 Hz (per le reti a 60Hz); per condensatori standard si utilizza la frequenza
di 1 kHz. Per altri modelli la frequenza sarà di 100 kHz. E va notato
che, anche
se ESR è misurata in ohm, non è indipendente dalla frequenza, a causa delle
caratteristiche costruttive del condensatore.
ESR è il principale fattore limitante dell' impiego di un condensatore ad
alte frequenze, come ad esempio in sistemi a commutazione, alimentatori switch
mode, ecc. Anche per condensatori di filtro, una elevata resistenza
equivalente serie è un fattore negativo e, in pratica, i progettisti di sistemi
switching pensano più in termini di ESR che di capacità, in quanto una elevata
capacità accompagnata da una elevata ESR sarà meno utile di una capacità
minore, ma con più bassa ESR.
ESR dipende dalle
tecnologie costruttive: uno stesso produttore potrà offrire una ampia gamma di
condensatori similari per campo applicativo, ma con valori di resistenza molto diversi.
In generale, lo sforzo per abbassare l' ESR si traduce in un aumento del costo
del componente. L' indicazione "Low ESR" va verificata
con le specifiche fornite dal costruttore per quel determinato prodotto.
Condensatori con dielettrico ceramico o con alcuni film plastici o combinazioni
di materiali, ad esempio polimero-alluminio, tendono ad avere ESR minore.
Il parametro ESR è indicato sempre in condensatori elettrolitici con classe di
temperatura di 105 °C o 125 °C, ma raramente in quelli da 85 °C e
praticamente mai nei prodotti a basso costo. Questo perchè il dato è
fornito per una temperatura di 25 °C e alcuni elettrolitici di fascia bassa
possono variare la loro resistenza interna in un range di 50:1 agli estremi della gamma termica di
impiego.
Va anche ricordato che, principalmente per gli elettrolitici, l' invecchiamento
del dielettrico porterà ad un drastico aumento del valore di ESR,

e questa è
una delle ragioni per cui si sconsiglia di riutilizzare vecchi condensatori
recuperati da surplus o apparati in disuso senza averli prima verificati |
Condensatori al tantalio solido o
ceramici sono decisamente più stabili col tempo. Anche condensatori in film
plastico hanno buona durata nel tempo, a patto che non si siano verificate
infiltrazioni di umidità, di solito alla giunzione dei reofori con le resine
isolanti del package.
ESR può variare da qualche decina di ohm a qualche millesimo di ohm. Condensatori
OS-CON sono considerati tra quelli con le migliori caratteristiche (ma anche con il
costo maggiore). Così pure i modelli multistrato MLCC e LICC, per montaggio
superficiale.
che sfruttano sia i materiali, sia le forme costruttive per minimizzare ESR
e ESL.
ESL
ESL (Equivalent Serie Inductance - induttanza in serie equivalente) rappresenta le induttanze
distribuite, associate ad un condensatore reale. Dato che si tratta di una
componente induttiva, il suo valore dipende strettamente dalla frequenza: non è
un problema alle basse frequenze, ma diventa importante alle alte frequenze
(RF). Ciò rende indispensabile il fatto che, alle alte frequenze, i terminali
dell'alimentazione anche dei circuiti analogici di precisione siano disaccoppiati
opportunamente. Ancor più nei sistemi dogitali con clock dell' ordine di molte
decine di MHz e nei sistemi a radio frequenza.
Il condensatore ceramico monolitico è una scelta appropriata
per il disaccoppiamento alle alte frequenze in quanto ha una induttanza in serie
veramente bassa.
  |
E' costituito di un sandwich multistrato di film metallici e
dielettrico ceramico e i film sono collegati in parallelo ai bus-bar degli
elettrodi piuttosto
che essere arrotolati.
Data la tecnica costruttiva con sottili spessori di dielettrico, si
tratta di elementi a bassa tensione di lavoro. |
| I condensatori SMD sono, in genere, realizzati in questo
modo, dato che tende a originare pacchetti rettangolari, molto adatti
al montaggio superficiale. |
| Ma sono disponibili multistrato ceramici anche con terminali a foro
passante.
Questo genere di condensatori è ormai molto comune e, nelle
applicazioni di bypass e decoupling è decisamente migliore di quelli
realizzati in film plastico. |

|
Corrente di perdita
Leakage: In un condensatore ideale, la carica Q
varia solo in conseguenza di una corrente che scorre nel circuito esterno che
collega le due armature, senza attraversare il dielettrico. Nel condensatore
reale, invece, il dielettrico non ha resistenza infinita, ma finita, anche se di
valore molto elevato. Questa resistenza (RL resistenza di leakage) consente alla
carica Q di scaricarsi più o meno lentamente, a seconda del suo valore, con una
costante di tempo RL-C.
La corrente di perdita ha valori, per i condensatori utilizzati in circuiti
elettronici, solitamente bassi, dell' ordine dei microampere o meno.
Il leakage è un importante parametro nelle applicazioni in corrente alternata,
nelle applicazioni in cui il condensatore è elemento di "memoria"
della carica elettrica, come integratori analogici o sample&hold, e nei
circuiti ad alta impedenza, dove la RL diventa sensibile rispetto alle
elevatissime resistenze di ingresso di circuiti MOS.
La corrente di perdita sale con il degenerare del dielettrico nel tempo e per
il calore.
Assorbimento del dielettrico
DA (Dielectric Absorption
- assorbimento del dielettrico) è
l'incapacità del condensatore a scaricarsi completamente, fino allo zero. Ciò
succede perché il dielettrico del condensatore conserva una carica.
Il modello per DA è una serie di reti RC in parallelo alla capacità di
primaria, dove il RDA ha valore molto grande e CDA inferiore alla capacità
nominale (il modello RC è utile per prevedere come si
comporterà DA, non rispecchia esattamente la fisica sottostante, abbastanza
complessa).
Tutti i
condensatori hanno un certo assorbimento del dielettrico, ma, se questo diventa
eccessivo, può influenzare il funzionamento del circuito, ad esempio in
integratori di precisione e circuiti sample-and-hold.
Grandi condensatori ad alta tensione, con dielettrico in olio
possono avere un DA molto alto, tanto da poter essere cortocircuitati per breve
tempo e mantenere ancora abbastanza carica da essere pericolosi per l' utente (normalmente
vengono spediti con i terminali in corto, che non deve essere rimosso fino a
quando il componente è stato installato.)
La "memoria del condensatore" si riflette anche sui cavi ad alta
tensione in olio, che hanno capacità distribuite elevate.
Un test standard prevede che il condensatore sia caricato per un certo tempo e
quindi messo in cortocircuito. Dopo un certo tempo viene misurata la tensione
residua. DA è espressa come rapporto tra la tensione residua e la tensione di
carica, in percentuale (MIL-C-19978D).
DF
DF (dissipation Factor - Fattore di dissipazione), ha
importanza nelle applicazioni dove il condensatore deve trattare correnti in
alternata. E' il risultato di tre fattori di perdita: la resistenza delle parti
conduttrici (fogli metallici, film, reofori), la resistenza di isolamento e le
perdite dielettriche.
DF è uguale a ESR/Xc o, in altri termini, al rapporto tra i
moduli delle correnti resistiva e reattiva ad una certa frequenza; è solitamente espresso in % o in
rapporto all'unità (1% =0,01).
E' indicato anche come tan δ; quanto più è piccolo, tanto
migliore è la qualità del condensatore. Infatti se ESR è elevato, anche DF ha
un valore elevato e la qualità del condensatore è ridotta.
Trattando una componente reattiva (Xc
) è dipendente dalla frequenza applicata, per cui un DF a 100 Hz sarà
differente da quello a 10 kHz.
In realtà, questa è
un'approssimazione che trascura la presenza della componente induttiva Xl, ma siccome questa è
generalmente bassa, da risultati abbastanza reali.
DF, come la maggior parte dei
parametri del condensatore, cambia con le ore di funzionamento e la temperatura.
e non solo...
Inoltre possiamo aggiungere altre considerazioni che sono fondamentali nelle applicazioni: il condensatore reale ha ulteriori
parametri "limitanti", tra cui
sono importanti:
- la tensione di isolamento
- la corrente (o energia) trattabile
- Temperatura di impiego
- MTBF
Tensione di isolamento: alle caratteristiche del dielettrico è da
associare il fatto che esso, oltre ad una certa tensione, perde le sue
caratteristiche di isolamento ed è perforato dal passaggio di una corrente,
venendo in generale danneggiato. Ne deriva che i condensatori reali hanno un
limite di tensione applicabile oltre la quale non è possibile andare, pena la
distruzione del componente. Questa tensione dipende sia dalle caratteristiche
dell' isolante, sia dalla tecnologia con cui il condensatore è stato realizzato.
Un errore nella scelta della tensione del condensatore rispetto a quella di
lavoro porta alla distruzione del componente.
- Va notato che la tensione massima sopportata dal dielettrico non è certo
quella a cui si consiglia di far lavorare il condensatore. La tensione di
lavoro sarà minore, in modo da dare un sufficiente margine di
sicurezza.
Anche tenuto conto che facendo lavorare il dielettrico al limite delle sue
caratteristiche si accorcia la vita del condensatore.
- Nel caso di applicazioni in corrente alternata, si deve
ricordare che il valore massimo della tensione applicata è
quello di picco, che è maggiore di quello efficace.
|
Capacità di corrente: questo parametro, poco
considerato, indica quale corrente può gestire il condensatore.
Diventa fondamentale in circuiti di potenza in corrente alternata, come motori asincroni
e rifasamento, dove il condensatore deve sopportare la corrente del carico, ma anche
nel semplice filtraggio dopo raddrizzamento, sia in alimentatori da rete che
in alimentatori
switching; in questi, in particolare, con il crescere della frequenza applicata,
il condensatore diventa un elemento molto critico.
Comunque, dove il carico a valle del condensatore richiede allo
stesso impulsi di corrente significativi, un condensatore non vale l' altro.
Un eccesso di corrente porta al
riscaldamento ed alla distruzione del componente: va ricordato che la corrente fornita dal condensatore passa attraverso la sua
ESR e quindi genera potenza attiva (calore) per effetto Joule. Se questo calore
è eccessivo, la vita del condensatore si abbrevia drammaticamente, fino ad
arrivare ad essere distrutto.
Solitamente la soluzione è quella di abbondare con il valore della capacità
dei filtri, onde evitare che a picchi di consumo corrisponda una eccessiva
riduzione della tensione, ma, dove si economizza, questo è un fatto comune.
Anche in bassa frequenza si ottiene un taglio della potenza dell'
amplificatore, con relativa distorsione.
Temperatura di impiego: normalmente i condensatori sono progettati
per lavorare in certo range di temperatura. I più comuni sono:
- -40°C ~ 85°C
- -40°C ~ 105°C
- -55°C ~ 125°C
Se temperature molto basse sono possibili in apparecchiature che lavorano
all' aperto, temperature elevate sono molto comuni in ogni genere di
apparecchio anche domestico: la temperatura all' interno del case di un PC
può arrivare a 40 °C e più; quella di un dispositivo installato su un
veicolo supera facilmente i 60 °C. Se pensiamo che la temperatura ambiente,
anche alle nostre latitudini, ha iniziato in estate a superare i 35 °C,
vediamo che la temperatura interna di un apparecchio diventa un fattore di una
certa importanza.
L' aumento della temperatura ha come risultato la riduzione della vita del
componente e, nei casi estremi, la sua rottura, per gli elettrolitici con
fuoriuscita del liquido e quindi conseguenti danni al circuito.
E, anche se spesso trascurato,
Invecchiamento, in quanto il condensatore ha una "data di
scadenza", almeno per i modelli con dielettrici fluidi. Questa
"scadenza" è spesso indicata dal costruttore nei fogli dati sotto
forma di ore di lavoro o MTBF (Medium Time Before Failure - tempo medio prima di
un guasto). E questi tempi si riducono con l' aumento della temperatura a
cui lavora il condensatore e la quantità di energia trattata dal componente.

Con l' invecchiamento del dielettrico, si ha in genere una perdita della
capacità, una riduzione della tensione di isolamento, un aumento dell' ESR e
della corente di perdita,
oltre alla possibilità di fuoriuscita dei dielettrici liquidi, il che può
essere causa di danni ai circuiti stampati su cui sono installati.E l'
invecchiamento n on è solo questione di ore lavorate, ma anche di
anni e di condizioni di immagazziamento.
Questa è una delle ragioni per cui si sconsiglia di riutilizzare vecchi
condensatori recuperati da surplus o apparati in disuso, sopratutto se
elettrolitici: è ben possibile che il
"loro tempo" sia ampiamente scaduto e il riutilizzo genera il
rischio di un guasto nel breve termine. |
In genere condensatori al tantalio solido o ceramici o a film plastici
sono decisamente più stabili col tempo, anche se spesso si hanno problemi in
componenti "vecchi" a causa della non perfetta realizzazione degli
involucri e dell' impermeabilizzazione dei terminali.
Quanto detto riguarda ogni genere di applicazioni, ma si può ricordare la presenza di
altre problematiche "minori",
ovvero che interessano applicazioni più specifiche
Capacità vs frequenza, determinata dal materiale usato per il dielettrico
e la tecnica di costruzione, fattore importante nel campo delle frequenze
elevate.
Capacità vs dimensioni (o "rendimento volumetrico"), determinata
principalmente dalla costante dielettrica K del materiale isolante e dal
rapporto tra spessori, tensione applicata, tecnica costruttiva. Per un certo
dielettrico le dimensioni tendono a variare secondo il quadrato della tensione
nominale. In generale, ridurre il volume di un condensatore richiede un
miglioramento della tecnologia costruttiva, che può tradursi in un aumento di
costo.
Capacità vs temperatura, normalmente dato ppm/°C o °K. Ogni
dielettrico ha una diversa risposta alla variazione della temperatura e questo
fatto è indicato commercialmente con una serie di cifre. Ad esempio, un
condensatore C0G potrà avere una variazione di +-15 ppm/C o migliore per C0G;
un elettrolitico o alcuni film plastici hanno variazione centinaia di volte
superiori. La deriva di temperatura per un determinato dielettrico può variare
da un produttore ad un altro; se questo parametro è importante (ad esempio in
circuiti di temporizzazione), occorrerà verificare i fogli dati del prodotto.
E' ovvio che circuiti oscillatori, temporizzatori, filtri, apparati radio e
simili, richiedono la massima stabilità della capacità in funzione della
temperatura. Installare elementi non stabili sarà causa di malfunzionamento
del progetto non appena la temperatura varierà rispetto a quella del
laboratorio.
Capacità vs tensione, dato che il valore della capacità può variare
a seconda della tensione applicata, in dipendenza del tipo di dielettrico usato.
Rumore: alcune tecnologie costruttive non sono adeguate all' impiego
in strumentazione o audio di qualità data la tendenza, principalmente dovuta al
leackage, di produrre rumore elettrico che verrebbe amplificato dagli stadi
successivi. Tra l' altro, alcuni tipi soffrono di microfonicità.
Ovviamente, nella scelta dei condensatori dei primi stadi di amplificatori
di ogni genere e strumentazione andranno evitati condensatori che siano causa
di rumore, il quale, amplificato dagli stadi successivi, renderà pessima la
risposta dell' apparecchiatura.
Package. Sono disponibili centinaia e centinaia di formati meccanici,
da grossi cilindri dei condensatori elettrolitici "computer grade" ai
canestri metallici degli elementi di rifasamento ai microscopici elementi SMD.
Non è secondario considerare che i dettagli costruttivi possono avere un
impatto significativo su prestazioni e affidabilità. Ad esclusione dei
condensatori in aria, gli altri richiedono di essere a tenuta stagna rispetto all'
aria e principalmente all'umidità e agli inquinanti atmosferici, per evitare la
degradazione o contaminazione del dielettrico e la corrosione dei metalli delle
placche. Ad esempio, i condensatori di grado militare possono essere chiuse
ermeticamente in gusci di metallo e vetro proprio per queste ragioni.
Per i modelli commerciali, il problema principale è il rendere impermeabile l'
ingresso dei reofori, cosa che si cerca di fare al meglio racchiudendo il
condensatore vero e proprio in packages in plastica, riempiti di resina
epossidica oppure direttamente colati in plastiche.
Da questo deriva la necessità di una certa attenzione nel maneggiare e
deformare i terminali, in quanto l' apertura di anche microscopiche crepe nel
guscio protettivo porterebbe all'assorbimento di umidità da parte del
dielettrico e al decadere delle caratteristiche del condensatore.
Anche negli elettrolitici, non è possibile forzare i terminali, pena la
successiva fuoriuscita dell' elettrolitico
Alcune tecnologie costruttive recenti (multistrato ceramico), sono
particolarmente adatte al montaggio superficiale, dando origine a componenti di
elevate caratteristiche (e anche capacità), ma di dimensioni minuscole (a
scapito della tensione di lavoro, però, è piuttosto bassa).
Altre tecnologie, come polistirene, polipropilene, alluminio e, in generale,
film avvolti, tendono ad originare packages cilindrici o comunque necessitanti
di pin anche nelle versioni SMD, in quanto abbastanza sensibili al calore in
fase di saldatura.
Affidabilità e durata di vita prevista sono di particolare importanza
nelle applicazioni ad alta temperatura, alta corrente o ad alta tensione. Alta
affidabiltà si ottiene con tecnologie costruttive particolari e questo origina
di conseguenza un aumento di costi. Quindi, condensatori low cost, previsti per
applicazioni non critiche, commerciali a basso livello, possono mostrare
problemi di affidabilità, principalmente ove si cerchi di impiegarli in
ambienti gravosi o ci si aspettino lunghe durate nel tempo.
Per ultimo ricordiamo che in alcune applicazioni sono richiesti
condensatori che abbiano particolari caratteristiche di dielettrico,
principalmente per ragioni di sicurezza elettrica.
Si tratta dei noti condensatori Y-cap e X-cap, appositamente
progettati per essere collegati sulla rete elettrica dove svolgono funzione di
riduzione dei disturbi elettromagnetici.
I condensatori X (in varie sotto classi X1-X3) sono costruiti per essere
collegati tra le fasi, mentre i condensatori Y (Y1- Y4) sono pensati per il
collegamento tra una fase e la terra.
 |
A lato lo schema di un tipico filtro EMI che si può trovare all'
ingresso di una comune apparecchiatura elettronica domestica, dall'
amplificatore BF al PC. Si tratta di filtri LC, molto
efficaci nell'ostacolare il transito di componenti a
frequenze elevate, come quelle prodotte dagli alimentatori switch-mode. |
In particolare i Cy scaricano a terra queste componenti.
L' uso di induttanze, che per definizione dovrebbero avere resistenze nulle (o
quasi) riduce la caduta di tensione e le conseguenti perdite per effetto
Joule.
Nelle posizioni indicate non è possibile usare i normali condensatori per
motivi di sicurezza; infatti è evidente che l' andata in corto circuito dei
condensatori creerebbe situazioni di pericolo per l'
utente (collegamento delle parti metalliche ad un polo della rete), con pericolo
di fulminazione e di grave guasto per l' apparecchiatura e la rete a cui è
collegata (cortocircuito tra i poli di rete), con pericolo di incendio.
 |
A lato un 4700 pF per uso su rete alternata a 230V.
Elementi X e Y sono facilmente distinguibili per l' ampia serie
di certificazioni impresse sul corpo del componente.
L' importanza della scelta di questi elementi per la sicurezza è
tale da far parte di normative internazionali e UE (EN132400-IEC384-14,
EN60950-IEC950, ecc).
Se occorre sostituirli in un apparecchio, è obbligatorio
usare condensatori dello stesso tipo e valore; l' impiego di
componenti non ammessi dalle norme costituisce colpa grave nel caso in
cui si verificassero incidenti dovuti al danneggiamento di questi
elementi. |
E si potrebbe proseguire a lungo, considerando i condensatori per
alte frequenze, quelli utilizzati per i motori in ca, i supercap, ecc.
Un ulteriore cenno si può fare a riguardo della tolleranza rispetto al
valore nominale.
I condensatori non sono componenti di precisione, sopratutto se confrontati
con le resistenze. Se resistori allo 0.1% sono comuni e elementi allo 0.01% si
possono acquistare online dai cataloghi dei distributori principali,
altrettanto non si può dire dei condensatori: un elemento con una tolleranza
del 5% è considerato di precisione. Normalmente un elettrolitico ha una
tolleranza del 20%, ma può avere anche un range molto maggiore.
Normalmente si identificano alcune classi di precisione con una lettera
nella sigla del componente:
Commercialmente elementi all' 1% si possono reperire presso alcuni
costruttori, con costi elevati, mentre precisioni maggiori sono riservate ad
elementi da laboratorio, con costi stratosferici.
Questi margini ampi sui valori nominali rende necessario l' impiego di
resistenze variabili in molti circuiti RC per regolare con precisione la
costante di tempo.
In circuiti del genere, legati al tempo, come temporizzazioni, clock,
monostabili, generazione di impulsi, s&h, ecc., la tolleranza, in
concomitanza con la variazione rispetto alla temperatura, diventa il fattore
primario rispetto ad altri. Dielettrico in mica, mica/argento, polistirene,
polipropilene, teflon, vetro e, in genere, i componenti non polarizzati, hanno
solitamente caratteristiche di stabilità elevate.
Come ultima nota è da notare che, come in qualsiasi altra area
merceologica, esistono costruttori seri e meno serie. In questo ambito
particolare, sul WEB è possibile recuperare liste di produttori di "bad
cap", ovvero di condensatori di qualità scadente. Si tratta
certamente di prodotti a costo molto basso, ma in cui viene sacrificata la
qualità. Ne deriva una vita molto ridotta del componente, una tensione di
lavoro minore di quella dichiarata, ampie variazioni sulla tolleranza del
valore capacitivo, elevata ESR.
Apparecchi che utilizzano questo componenti saranno soggetti a guasti.
Uguali, ma non proprio
Dunque, l' affermare che tutti i condensatori sono uguali non è certamente
corretto.
Si può, però, ritenere che nell' ambito ristretto di una applicazione
consumer questo sia vero?
Certamente sì, se l' applicazione manca di qualunque criticità e/o ci si
accontenta di un certo livello di prestazioni.
 |
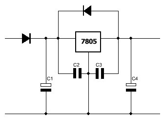
Ad esempio, il classico regolatore lineare a tre terminali richiede
un numero minimo di parti e, date le sue caratteristiche, non pretende
dai condensatori altro che la capacità di sostenere i picchi di
corrente del ripple del raddrizzamento e dei transitori del
carico.
Normali elementi elettrolitici in alluminio per C1 e C4 e multistrato
ceramici per C2 e C3 saranno la scelta ottimale.
Se però il circuito lavorerà in un contenitore chiuso o in un
ambiente caldo, la scelta di elettrolitici senza dato di temperatura
non sarà certo la migliore. |
 |
E, in un circuito come quello a lato, l' uso di comuni elettrolitici
in alluminio per i condensatori di ingresso e di uscita porta ad un
pessimo funzionamento del circuito.
Il foglio dati del componente, se letto, infatti consiglierà l' impiego di
elementi a bassissimo ESR, pena un aumento inaccettabile del ripple ed
una riduzione del rendimento, con relativo riscaldamento delle parti. |
Ovviamente nessuno si dovrebbe sognare di sostituire il condensatore di
avviamento di un motore con un elemento inadeguato o cambiare in un filtro di
rete un Y-class con un poliestere qualsiasi. O, ancora, usare per un flash un
condensatore in alluminio genere consumer.
E dovrebbe essere chiaro che impiegare condensatori con elevata tolleranza in
un filtro non è l' ideale o inserire elementi a bassa stabilità con la
temperatura in un generatore di clock o in un oscillatore è il modo migliore
per rendersi difficile l' esistenza.
Ovvero, applicazioni in condizioni diverse da una "corrente
continua" o da circuiti con basse frequenze, a parte casi particolari,
costituiscono esistono situazioni
"generiche" in cui il condensatore è elemento necessario, ma non
critico.
Ma in altre applicazioni, in cui il condensatore è elemento essenziale e le cui
caratteristiche sono fondamentali e critiche, non tutti i condensatori sono
uguali.
Se ci soffermiamo sul tema delle applicazioni considerate "non critiche" sono,
però, da rivedere
alcune posizioni.
1. "Se sostituiamo nel raddrizzamento dopo il ponte
il condensatore X da 1000 uF con 10 condensatori Z da 100 uF la qualità dell'
audio migliora". Vero o falso?
Certamente un condensatore da 1000 uF equivale in capacità a 10 elementi da 100 uF
in parallelo, ammesso che abbiano una analoga tolleranza nel valore nominale.
Quindi, se ne deduce che l' una o l' altra soluzione siano equivalenti e che,
anzi, i 10 in parallelo siano almeno una idea bizzarra.
 |
Va da se che supporre incompetenti o bizzarri i progettisti che
adottano cose del genere dell' immagine a lato sia piuttosto azzardato.
Vediamo infatti numerosi elementi SMD in parallelo per il core della
CPU socket 775.
E altrettanto numerosi elettrolitici in parallelo per l'
alimentazione dal VRM on board.
Le ragioni di queste configurazioni apparentemente strane ci sono,
tanto che panorami del genere si possono trovare in tutte le schede
elettroniche in cui ci sono forti consumi di corrente.
Il condensatore reale non è "solo" capacità, ma esibisce anche
una ESR (e una ESL). La quale dipende dalle caratteristiche costruttive del
condensatore.
|
Ponendo gli elementi in parallelo, si mettono in parallelo anche anche le
relative ESR e un parallelo di resistenze da origine ad una resistenza
equivalente di valore inferiore ! E altrettanto si potrà dire per le corrente
di ripple, che sarà la somma di quelle dei singoli elementi.
| Capacità |
ESR
[ohm] |
Corrente di ripple
[mA] |
Modo |
Capacità totale] |
ESR [ohm] |
Corrente di ripple
[mA] |
| 1000 uF |
2 |
1750 |
condensatore singolo |
1000 uF |
2 |
1750 |
| 100 uF |
2 |
300 |
10 in parallelo |
1000 uF |
0,2 |
3000 |
Questa è ovviamente una grossa semplificazione, ma certamente non lontana dal
vero. Ne risulta che la funzione di "livellamento", ovvero di resa
dell' energia (accumulata durante i picchi della tensione raddrizzata) nei
momenti di non conduzione dei diodi è amplificata sia dalla riduzione dell'
ESR, sia dall' aumento della corrente di picco prelevabile.
Questo diventa fondamentale nel caso di alimentatori switch mode,
dove le frequenze sono elvate, dell' ordine di decine o centinaia di kHz. E
questo dovrebbe essere facilmente compreso.
Ma anche per un semplice raddrizzatore di rete può essere un toccasana,
quando il condensatore originale è sotto dimensionato
rispetto alle esigenze del circuito. Qui, l' elemento singolo non riesce a
fornire la corrente nei picchi di consumo e di conseguenza la tensione cade,
portando in funzionamento anormale l' amplificatore, ma l' array di più
elementi in parallelo offre ESR/ESL minori e più capacità di corrente di
picco e risolve la situazione. Fatto ancor più evidente quando il singolo è
un elemento low cost-low quality e i sostituti sono dei componenti di marca di
buona qualità.
In questi termini, quindi, se usare più elementi in parallelo in un
circuito in cui il singolo elemento è stato dimensionato correttamente non è
certo una scelta utile, per contro la sostituzione di un solo elemento inadatto a quel punto del
circuito con un parallelo di elementi che forniscano prestazioni migliori,
può non essere una idea così campata in aria.
2. "Sostituendo i condensatori originali con altri di
marca ZX, la qualità dell' audio migliora". Vero o falso?
Se partiamo dal presupposto che la differenza tra il condensatore di capacità
n della marca Y e quello della marca X della stessa capacità sia solo il colore della guaina di isolamento del
corpo cilindrico, commettiamo una grande leggerezza, che, di nuovo, indica che
si stanno trascurando le informazioni fino ad ora fornite.
Per quanto riguarda i condensatori non elettrolitici, per un uso in bassa
frequenza si può affermare che, parlando di elementi nuovi di marche note, le
differenze per quanto riguarda le caratteristiche essenziali sono minime e
possono essere, entro certi limiti, trascurate. Ad esempio, la corrente di
leakage nei piccoli condensatori è molto bassa, indipendentemente dal
dielettrico usato. Così pure ESR e ESL sono trascurabili nella maggior parte
delle applicazioni audio o comunque a bassa frequenza.
Diversa può essere la situazione per i condensatori elettrolitici.
Certamente se prendiamo ad esempio alcuni modelli di elettrolitici in alluminio, 1000 uF/
50 V:
| Modello |
ESR
[ohm] |
Iripple
[mA] |
MTBF
[h] |
| costruttore 1 |
0.039 |
1750 |
10000 |
| costruttore 2 |
0.09 |
1399 |
5000 |
| costruttore 3 |
nd |
950 |
2000 |
| costruttore 3 |
0.016 |
3320 |
10000 |
| costruttore 4 |
0.039 |
1800 |
4000 |
| costruttore 4 |
0.16 |
1030 |
4000 |
Possiamo vedere immediatamente che questi condensatori, al di la della
capacità e pur all' interno di una
sola tecnologia, NON sono per niente uguali tra di loro .
La lista qui sopra NON è una comparazione per
marchi, ma semplicemente si tratta di elementi presi a caso
dai cataloghi e riportati con il solo scopo di far comprendere
come condensatori di pari valore capacitivo, ma di serie o
produttori diversi, NON sono la stessa cosa dal punto di
vista delle altre caratteristiche.
Per confermare, se
prendiamo anche un solo costruttore in grado di fornire una ampia gamma di prodotti,
troviamo che la situazione è analoga: i condensatori NON sono uguali,
anche se la loro capacità è la stessa.
Ad esempio, alcuni dei moltissimi modelli di elettrolitici da 100
uF-16V del vastissimo catalogo catalogo Panasonic
| Modello |
Temp |
ESR
[ mOhm] |
Iripple
[mA] |
MTBF
[h] |
| ECA-1CM101B |
-40°C ~ 85°C |
nd |
180 |
2000 |
| ECE-V1CA101WP |
nd |
70 |
1000 |
| ECE-V1CA101P |
nd |
200 |
2000 |
| EEU-FC1C101 |
-55°C ~ 105°C |
350 |
290 |
1000 |
| EEU-FR1C101 |
300 |
280 |
2000 |
| ECE-A1CKG101 |
1200 |
190 |
1000 |
| EEE-FP1C101AP |
260 |
300 |
2000 |
| EEF-WA1C101P |
39 |
2500 |
2000 |
| EEE-FPC101XAP |
160 |
600 |
2000 |
| EEV-HD1C101P |
-40°C ~ 105°C |
1500 |
89 |
5000 |
| EEE-TP1C101AP |
-40°C ~ 125°C |
200 |
270 |
3000 |
Di nuovo, a pari capacità, perfino un singolo
costruttore offre diversi modelli con diverse prestazioni, evidentemente
mirati a diverse applicazioni. Risaltano in particolar modo tre elementi:
- l' ESR
- la corrente di ripple
- e la vita del componente
Tra un condensatore in grado di erogare 89 mA e uno che ne può fornire
2500, o tra un elemento con ESR di 39 di milliohm ed uno con
ESR non dichiarata, è ovvio che qualche differenza nell' impiego pratico ci
sarà pure, anche se la capacità di targa è identica. E stiamo parlando
semplicemente di un solo produttore, il quale offre una gamma molto ampia di
prodotti, evidentemente destinati ad impieghi molto vari e che si possono
considerare come
intercambiabili solo in applicazioni poco impegnative.
Ma anche in una applicazione a criticità "bassa" o ridotta, come un
amplificatore audio, in cui le frequenze trattate sono limitate alle decine di
kHz, l' aggiunta di ESR sostanziose o di correnti di leakage elevate deforma i risultati della progettazione,
mentre nei sistemi di raddrizzamento degli alimentatori una disponibilità
maggiore di corrente consente di impegnare capacità minori. Ed è da
ricordare anche come la progettazione "sparagnina" e l' implementazione
pratica con componenti low-cost/low-quality si può far sentire anche in bassa
frequenza e sia la principale causa di ogni problema.
Senza contare che l' uso di "bad cap" rischia di
ridurre drasticamente la vita dell' apparecchiatura, se non di provocare danni
maggiori.
Dunque, che il colore della guaina di isolamento sia diverso tra
costruttore e costruttore è sensato, ma che questa sia la sola differenza tra
un condensatore e un' altro, non è per niente vero.
E' bene ricordare che gli esempi portati riguardano
costruttori primari, che dettagliano le caratteristiche dei loro prodotti in
fogli dati facilmente reperibili.
Però il mercato comprende anche costruttori
con prodotti a basso costo e, spesso, di fascia molto bassa. Qui la
consultazione dei fogli dati è difficile se non impossibile e stabilire con
esattezza la qualità del componente non è normalmente possibile. In questi
casi solitamente basta sostituire il condensatore "ignoto" con uno
di buona marca, pur senza ricercare i vertici delle caratteristiche, per
ottenere un immediato miglioramento della situazione del circuito. (A
questo proposito è possibile reperire sul WEB liste di "Bad Cap
manufacturers").
|
3. "I condensatori usati nei sistemi audio non richiedono
particolari specifiche". Vero o falso?
Degli elettrolitici utilizzati sulle alimentazioni abbiamo detto. Ma un pre
amplificatore, un filtro, un amplificatore impiegano elettrolitici anche
per funzioni diverse da quelle relative all' alimentazione, oltre ad un
consistente numero di condensatori non polarizzati.
I relazione a questo sono stati fatti numerosi studi e ricerche (ved.anche link a
fondo pagina) e sono state evidenziate varie considerazioni.
Però, attorno al campo dell' hi-fi fioriscono leggende e superstizioni anche
molto grossolane, alimentate da una parte dalla scarsa onesta di certi
commercianti e dall' altra dall' approccio patologico di troppi utenti.
Quindi, sicuramente, siamo ben lontani dal sostenere che occorra usare il
condensatore MegaXYcap o ExtraYZcap (ovviamente venduto a carissimo prezzo!!!) che costituisce la panacea universale
per qualsiasi progetto, anche il
più scalcagnato o malamente eseguito. Questa è realmente fuffa (se non
truffa). E va pur detto che la distorsione o il rumore dovuto ai condensatori è
generalmente basso o molto basso, spesso al di sotto di quello prodotto da molti
componenti attivi non specializzati o al cablaggio non ottimale.
Nonostante
ciò, si potrà rilevare con facilità che progetti audio di alta qualità
impiegano condensatori scelti e non il primo elemento che capita tra le
mani.
Esistono varie ragioni che guidano i progettisti che tendono alla maggiore
perfezione dei loro progetti. Ad esempio, i condensatori ceramici possono
essere soggetti ad effetto microfonico, con le ovvie conseguenze negative.
Altre tecnologie introducono una
distorsione dovuta all'assorbimento del dielettrico, mentre altre danno origine a condensatori
induttivi già a frequenze audio e/o con ESR elevate. Se negli stadi di
iniziali di amplificazione, ad alto
guadagno e alte impedenze, si consiglia di usare resistenze a strato
metallico, perchè sorgenti di rumore minori di quelle in carbone, altrettanto si potrà dire dei condensatori, la cui scelta dovrà cadere su
componenti a basso leakage e basso DF.
Conclusioni
Con quanto detto non si vuole dare ragione a chi, per pura attività
imbonitoria in mala fede, proponga questo o quel componente come soluzione di
tutti i mali. E neanche spingere all' uso di OS-CON o low-ESR in ogni possibile
applicazione, perchè questo può non essere minimamente necessario per quel
dato progetto, mentre comporta un aggravio ingiustificato del costo..
Semplicemente si desidererebbe che sia il progettista che l' hobbista, e
anche l' utente finale, non si basi su dogmi o sentito dire, ma su ragionamenti critici
dovuti ad una corretta conoscenza dell' elettronica e delle tecnologie che la
supportano.
Dunque, occorre avere presente che:
- I condensatori NON sono tutti uguali, neppure se fanno parte
della stessa famiglia di tecnologia produttiva. Tanto meno se sono
realizzati in tecnologie diverse.
- Sicuramente, in applicazioni generiche e non soggette a particolari
condizioni (di frequenza, corrente, temperatura, tensione, ecc.), la
scelta di un modello piuttosto che di un' altro è abbastanza
indifferente.
Ma dove si presentano condizioni critiche, la scelta
di un tipo di condensatore può fare la
differenza tra un progetto ben riuscito ed uno difettoso.
- In particolare, il condensatore, per la funzione che svolge nel
circuito, non è un componente sostituibile semplicemente in base alla
capacità ed alla tensione di lavoro, ma va scelto a seconda dello scopo a
cui è destinato.
- Considerare che la pratica del recupero dei componenti da
apparecchiature surplus o fuori uso, adottata da tutti gli hobbisti per
ridurre i costi, per i condensatori deve essere attuata con le opportune
cautele. Principalmente perchè, come abbiamo detto, il condensatore ha una
vita limitata e, superato un certo monte ore di lavoro, le sue
caratteristiche degradano. Inoltre, le operazioni di dissaldatura e
saldatura possono avere riflessi maggiori sui condensatori che non su
resistenze o bobine, proprio per la natura del componente e le sue
caratteristiche costruttive.
Link
Un breve elenco di alcuni siti con informazioni di interesse
generale:
Ed un elenco di alcuni dei principali costruttori di condensatori,
che spesso fornisco interessanti informazioni:
|